收藏我们 联系我们 网站地图

您好!欢迎来到江苏瑞河环境工程研究院有限公司!

蓝藻治理

江苏瑞河环境工程研究院有限公司小流域河湖治理共建者

全国咨询热线:
13301552555

内页banner

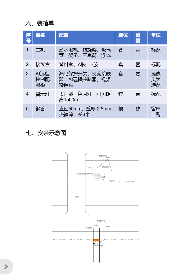
扩流推流微纳米曝气机 使用说明书

最新新闻

关键词

联系我们

江苏瑞河环境工程研究院有限公司

联系人:沈总

联系方式:13301552555

地址:吴江经济技术开发区长安路888号


首 页 >> 公司概况 >> 扩流推流微纳米曝气机 使用说明书

image.png

image.png

image.png

image.png

image.png

image.png

  • 官方公众号
  • 业务咨询客服